| 品牌 | 申弘 | 加工定制 | 是 | 
|---|---|---|---|
| 连接形式 | 焊接 | 材质 | 碳钢,不锈钢,黄铜,铸铁,铸铜,球墨铸铁,合金钢,铜合金,塑料,陶瓷,PPR,PVC,衬氟,铜 | 
| 适用介质 | 水,蒸汽,油品,各种高腐蚀化学介质,弱酸碱介质,氨气,氮气,氧气,氢气,液化气,空气,煤气,含尘气体 | 压力环境 | 高压 | 
| 工作温度 | 高温 | 流动方向 | 单向 | 
| 驱动方式 | 电子 | 零部件及配件 | 执行器 | 
| 形态 | 柱塞式 | 类型 | 直通式 | 
| 密封形式 | 硬密封式 | 公称通径 | 15-800mm | 
| 标准 | 国标 | 
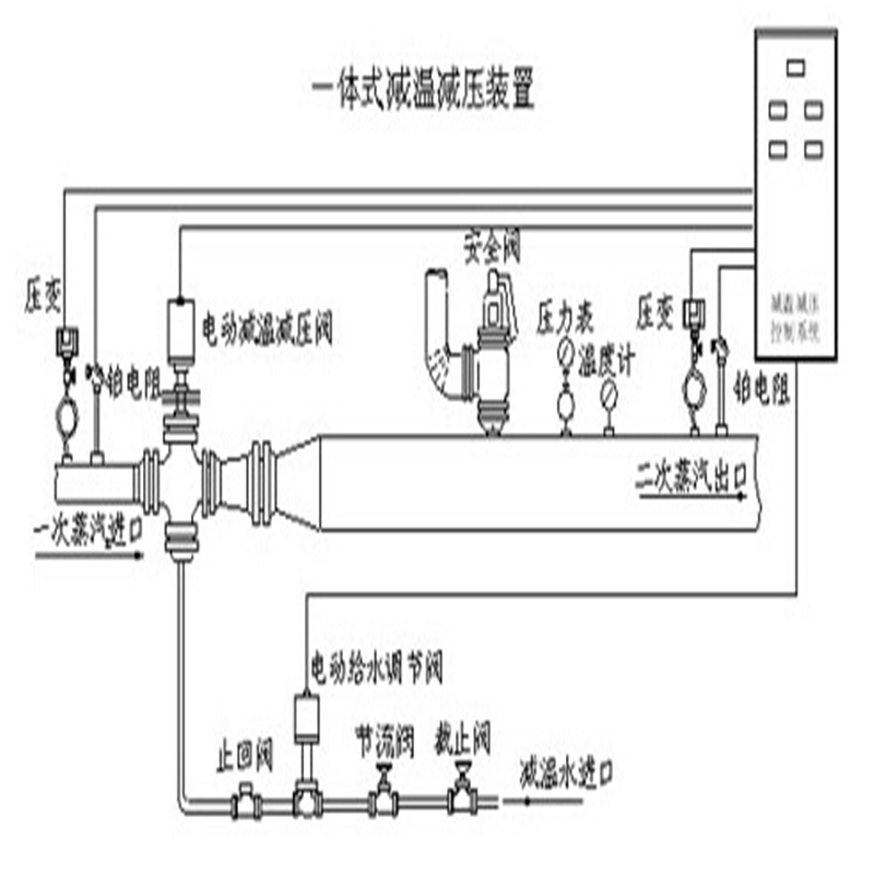
WYS965Y电动焊接式减温减压装置 产品说明
是采用控制阀体内的启闭件的开度来调节介质的流量,将介质的压力降低,减温减压阀同时借助阀后压力的作用调节启闭件的开度,使阀后压力保持在一定范围内,并在阀体内或阀后喷入冷却水,将介质的温度降低,这种阀门称为减压减温阀。该阀的特点,是在进口压力不断变化的情况下,保持出口听压力和温度值在一定的范围内。
现有的减温减压阀是采用双通道、双阀座、双阀瓣结构形式,其两个阀瓣同轴安装,分别与两个阀座配合构成两个同轴密封副,主要问题是同轴的两个密封副很难达到同时密封,容易发生泄漏;体积庞大,需要很大的安装空间;噪音很高,给操作现场造成很严重的环境污染;流量调节范围小。

高温高压蒸汽在一个阀体内部同时进行减温减压,并实现蒸汽的自动调节。其减压件为多孔笼式结构,并有均流罩和节流孔板实现多级减压,其减压级数决定于蒸汽进出口的压差,每级压力约降低一半左右,从而减少了节流件的磨损,降低了高速汽流产生的振动和噪音。其减温于减压后由配置在阀内的减温器完成,减温水通过减温器内设置的机械雾化喷咀(圆柱形多孔喷咀)喷出,由高温蒸汽节流后的高速汽流将减温水充分雾化,使其迅速与高温蒸汽混合并快速蒸发为低温蒸汽,可避免管道内积水而造成水击现象,达到了较好的减温效果,这是与文氏管减温器的不同之处。另外,喷咀上的射水孔数可随蒸汽负荷即节流面积的变化而同步变化,从而确保了足够的喷水速度,较之固定喷咀提高了不同蒸汽流量下的射水雾化效果,适用于更低的蒸汽负荷,提高了蒸汽流量的使用范围。阀座均采用单阀座结构形式,比双阀座减少了泄漏量。减压件上的节流孔严格按线性排列,当提升时可连续打开(0-99%),可确保调节的准确性,精度高,调节性能好。该阀集减压、减温、消音三功能于阀体内一次完成,可避免温差过大造成零件的过早损坏,以提高阀门的使用寿命。

基本性能
调压范围:它是指减压阀输出压力P2的可调范围,在此范围内要求达到规定的精度。调压范围主要与调压弹簧的刚度有关。
压力特性:它是指流量g为定值时,因输入压力波动而引起输出压力波动的特性。输出压力波动越小,减压阀的特性越好。输出压力必须低于输入压力—定值才基本上不随输入压力变化而变化。
流量特性:它是指输入压力—定时,输出压力随输出流量g的变化而变化的持性。当流量g发生变化时,输出压力的变化越小越好。一般输出压力越低,它随输出流量的变化波动就越小。

减温减压阀
阀体、阀盖对中低压力为优质碳素钢,对次高压为铬钼钢,对高温高压为铬钼钒钢;阀座密封面采用堆焊硬质合金,所有阀内节流件均为不锈钢或铬镍不锈钢,阀杄为氮化钢或不锈钢,密封填料为柔性石墨,阀体与阀盖之间的密封,对高温高压参数为自紧密时,密封圈为柔性石墨加不锈钢丝,其余为法兰连接的金属缠绕垫密封。
给水调节阀
阀体、阀盖均为优质碳素钢,阀座为不锈钢或堆焊硬质合金,节流件和阀杆为经过热处理的不锈钢件,密封为柔性石墨中法兰密封为金属缠绕垫。该装置所用的其余配套件如各种阀门、管道、法兰、接头、螺柱等均按相应的温压参数根据国际规定选取。
减温减压装置标准:JB/T6323-93《减温减压装置制造与验收技术条件》
减温减压装置标准:JB/T6323-2002《减温减压装置》
减温减压阀标准:GB/10868-98《电站减温减压阀技术条件》
给水调节阀标准:GB/10869-98《电站调节阀技术条件》
其他阀门标准:JB/3595-2002《电站阀门一般要求》

| 出口次流量Q的变化范围基本为10%Q-99%Q。根据要求量小流量还可更低。 | ||
| 进口压力和温度 | 低压 P1≤1.0Mpa, | t1≤300℃ | 
| 中压 P1≤4.0Mpa, | t1≤450℃ | |
| 次高压 P1≤5.4Mpa, | t1≤485℃ | |
| 高温高压 P1≤20Mpa, | t1≤570℃ | |
| 出口蒸汽压力P2、温度t2按用户要求值,其调节精度不低于2.5级。 | ||
| 噪音:装置正常运行时,在减温减压阀下游一米,同时隔管壁一米处测量,噪音声级低于85分贝。 | ||
电动减压阀Y945H技术参数:
| 公称压力(Mpa) | 1.6 | 2.5 | 4.0 | 6.4 | 10.0 | 16.0 | 
| 壳体试验压力(Mpa) | 2.4 | 3.75 | 6.0 | 9.6 | 15.0 | 24 | 
| 密封试验压力(Mpa) | 1.76 | 2.75 | 4.4 | 7.04 | 11.0 | 17.6 | 
| 进口压力(Mpa) | 1.6 | 2.5 | 4.0 | 6.4 | 10.0 | 16.0 | 
| 出口压力范围(Mpa) | 减压比0.6 | |||||
| 渗漏量 | 0.5%QMax | |||||
| 温量-压力等级 | ANSI B16.34 | |||||
| 零件名称 | 零件材料 | 
| 阀体 阀盖 底盖 | WCB | 
| 阀座 | 304 | 
| 阀瓣 | 2Cr13 | 
| 阀杆 | 2Cr13 | 
| 垫片 | 柔性石墨/1Cr18Ni9 | 
| 导向套 | 2Cr13 | 
| 填料 | 柔性石墨 | 
| 螺栓 | 35CrMoA | 
| 螺母 | 45 | 
电动双阀座减压阀Y965H流量系数:
| DN | 50 | 65 | 80 | 100 | 125 | 150 | 200 | 250 | 300 | 350 | 400 | 500 | 
| Cv | 15 | 20 | 35 | 60 | 70 | 110 | 150 | 230 | 420 | 540 | 710 | 1020 | 

电动双蒸汽减压阀Y965H外形尺寸(PN1.6-4.0):
| 公称通径DN | 外 形 尺 寸 | |||
| L | L1 | H | Hl | |
| 50 | 300 | 150 | 880 | 190 | 
| 65 | 340 | 170 | 890 | 205 | 
| 80 | 380 | 190 | 910 | 215 | 
| 100 | 400 | 215 | 950 | 240 | 
| 125 | 430 | 225 | 990 | 275 | 
| 150 | 450 | 230 | 1090 | 320 | 
| 200 | 500 | 260 | 1160 | 340 | 
| 250 | 550 | 285 | 1230 | 370 | 
| 300 | 750 | 395 | 1370 | 460 | 
| 350 | 850 | 445 | 1450 | 530 | 
| 400 | 950 | 550 | 1570 | 660 | 
| 500 | 1130 | 680 | 1780 | 800 | 
电动双阀座蒸汽减压阀Y965H外形尺寸(PN6.4-16.0):
| 公称通径DN | 外 形 尺 寸 | |||
| L | L1 | H | Hl | |
| 50 | 300 | 150 | 880 | 200 | 
| 65 | 340 | 170 | 890 | 215 | 
| 80 | 380 | 190 | 910 | 225 | 
| 100 | 400 | 215 | 950 | 250 | 
| 125 | 430 | 225 | 990 | 285 | 
| 150 | 450 | 230 | 1090 | 330 | 
| 200 | 500 | 260 | 1160 | 355 | 
| 250 | 550 | 285 | 1230 | 390 | 
| 300 | 750 | 395 | 1370 | 480 | 
| 350 | 850 | 445 | 1450 | 550 | 
| 400 | 950 | 550 | 1570 | 700 | 
| 500 | 1130 | 680 | 1780 | 820 | 

电动执行器选配及性能指标:
| 公称通径 | 50 | 65 | 80 | 100 | 125 | 150 | 200 | 250 | 300 | 350 | 400 | 500 | ||||
| 配执行机构型号 | ZKZ-310BC | ZKZ-410BC/ZKZ-510BC | ZKZ-510BC | ZKZ-610BC/ B+Z250/F1800 | ||||||||||||
| 行程 | 25 | 30 | 50/30 | 50 | 60 | 100 | ||||||||||
| 推力(N) | 4000 | 6400/1600 | 16000 | 2500 | ||||||||||||
| 全行程时间(S) | 20 | 32 | 37 | 62 | ||||||||||||
| 输入信号 | 4-20mA DC | |||||||||||||||
| 供电电源 | 220V 50Hz | - | 380V 50Hz | |||||||||||||
| 基本误差(%) | ≤±2.5 | |||||||||||||||
| 基本误差(%) | ≤±1.5 | |||||||||||||||
| 基本误差(%) | ≤3 | |||||||||||||||

结构特点
| 名称 | 代(其他厂家 | 第二代(其他厂家) | 第三代(上海剑阀研制) | 
| 减温减压 | 为单级柱塞式结构 缺点 噪声较大易引起振动影响阀门的使用寿命;调节范围窄,只有一级可调; 由于多采用范围选型故调节性能不准确。 | 为单级柱塞式结构 优点 将喷咀装在阀内,雾化效果好。 缺点 噪声较大易引起振动影响阀门的使用寿命;调节范围窄,只有一级可调; 由于多采用范围造型故调节性能不 准确。 | 为多级笼式结构 优点 将喷咀装在阀内,雾化效果好。 阀内多级可调; 调节范围0-99%可调; 针对用户的使用参数进行设计,通过变量计算来确保每一级的调节准确性。 同时笼式结构可起到消音的作用。 | 
| 管道 | 减压管道与减温管道相连接的结构 缺点 管路过于冗长,减压管道加多个 节流孔板来弥补减压阀的不足; 减温管道内装有混合管道与文式管增加了成本、增加了重量、增 加了占地面积、故障率高、不便于安装与维修。 | 取消了减温管道 优点 缩短了主蒸汽管道的长度; 减轻了重量、降低了占地面积、 减少了故障、方便了安装与维修。 缺点 管道加多了节流孔板来弥补减温 减压阀的不足;而节流孔板不能 进行调节。 | 取消了减温管道 优点 由于多级减压在阀内完成省去了管道上的节流孔板从而大大缩短了主蒸汽管道的长度。 减轻了重量、降低了占地面积、减少了故障、方便了安装与维修。 | 
| 节流阀 | 配合调节阀使用,给调节阀定压用 | 配合调节阀,给调节阀定压用 | 调节阀可单独使用,不需要配节流阀 或节流装置。 | 
| 调节阀 | 多为单级定压差结构 缺点 调节范围窄,只有一级可调;由于多采用范围选型故调节性能不准确。 不能适用于各种压差,必须有辅助装置配合使用,一般不能单独使用。 | 多为单级定压差结构 缺点 调节范围窄,只有一级可调; 由于多采用范围选型故调节性能不准确。 不能适用于各种压差,必须有辅助装置配合使用,一般不能单独使用。 | 为多级定压差结构 优点 多级可调,调节性能准确,采用变量设计,能适合于各种压差,可单独使用。 | 
| 喷咀 | 为可调式或固定式结构 缺点 直接安装在主管道上,雾化效果差,致使主管道内容易积水造成水击现象,从而引起管道振动,减少使用寿命; 由于在管道内喷水减温必须要有一定长度的雾化段,致使主管道 过于冗长。 | 固定式结构装入阀内 优点 改善了雾化效果,省去了雾化段,避免了管道积水所造成的水击现象,提高装置的使用寿命。 | 固定式或可调式结构直接装入阀内 优点 由于多级减压在阀内完成省去了管道上的节流孔板从而大大缩短了主蒸汽管道的长度。 减轻了重量、降低了占地面积、减少了故障、方便了安装与维修。 | 

本实用新型为一种笼式双座蒸汽减压阀的阀座结构,阀笼压在下阀座上,上阀座下端与阀笼结合处装有碟簧,上阀座与阀笼间隔处装有石墨环,阀芯的一个上锥形密封面与上阀座锥形密封面紧密接触,使碟簧受到挤压产生变形,使上阀座与阀芯向下运动,导致阀芯另一个下锥形密封面与下阀座锥形密封面紧密接触,而上阀座与阀笼间隔处的石墨环,保证了上阀座与阀笼的密封性能.解决了笼式双座调节阀泄漏大的问题.
安装使用说明:
●减温减压阀与给水调节阀必须垂直安装,使重心在下,周围留有足够的空间,便于阀门的拆装和检修。介质流向按阀体上的箭头指示方向,并按电动执行机构使用说明书进行调试。
●在减温减压阀的进口应有一段直管诱导长度,进口直管段≥5DN且不小于2m,出口直管段应有顺流向1-5%的斜度坡。
●给水调节阀的安装位置不应远离减温减压阀,并略低于减温减压阀的进水口。
●阀门安装完毕后,对管系要进行淸洗,*淸除存在管内的各种杂物,如氧化皮、焊渣等。为防止淸洗时杂质对阀门内部造成损伤,必须釆取保护措施,可采用保护阀座的插件或冲洗管道后再与阀接通的方法。阀门密封填料为柔性石墨,受热后膨胀性能良好,故在冷态时不宜压得过紧。在更换填料时,注意避免损伤阀杆表面。
●蒸汽管道上的安全阀下面应装设固定支架,减温减压阀和蒸汽管道末端分别装设活动支架。蒸汽进口管道的装置处应装设疏水器,蒸汽进出口和本装置连接时应装设温度补偿器。
●本装置所需的大吊架、安全阀排汽管、疏水器、补偿器、热力调节装置的安装管线和测量元件、连接件等均由用户自理,主要热力调节装置供货,根据订货合同协议规定。
●所有直径小于φ57mm的管子,均以直管供应,安装时现场弯制和焊接。

电动减温减压阀是采用控制阀体内的启闭件的开度来调节介质的流量,将介质的压力降低,同时借助阀后压力的作用调节启闭件的开度,使阀后压力保持在一定范围内,并在阀体内或阀后喷入冷却水,将介质的温度降低,这种阀门称为减压减温阀。

订货须知:
一、①产品名称与型号②口径③是否带附件以便我们的为您正确选型④的使用压力⑤的使用介质的温度。
二、若已经由设计单位选定公司的型号,请按型号直接向我司销售部订购。
三、当使用的场合非常重要或环境比较复杂时,请您尽量提供设计图纸和详细参数,由我们的阀门公司专家为您审核把关。如有疑问:请:我们一定会尽心尽力为您提供优质的服务。提供全面、专业的“阀门系统解决方案",也十分愿意帮助用户解决生产中所遇到的难题。