GU高真空法兰式球阀操作应用案例
GU型系列真空(压力)球阀是适用于真空系统中接通或切断管路的介质流。该阀为直通式手动球阀,靠球面密封,因而既能用在真空状态下,也能在低压状态下使用,并可任意位置安装。
GU型系列真空(压力)球阀适用的工作介质为带酸、碱性的气体或液体。
在现代工业领域,高真空环境的应用日益广泛,从半导体制造到新能源研发,再到精密化工生产,均对设备的密封性和稳定性提出要求。GU高真空球阀作为这一领域的核心部件,凭借其独特的结构和性能,成为保障工艺流程顺畅的关键装置。本文将围绕其原理、特点、应用及技术背景展开科普解析。
#1.GU高真空法兰式球阀操作应用案例高真空球阀的基本原理
高真空球阀是一种专为真空或超高真空环境设计的阀门,其核心功能是控制气体或液体的流动,同时确保系统内部保持极低的泄漏率。与传统球阀相比,GU高真空球阀在以下方面具有显著差异:
-密封结构:采用金属密封或特殊聚合物密封圈,耐受真空环境下的分子级渗透。
-材料选择:阀体与球体通常由不锈钢或特殊合金制成,避免放气现象(材料在真空下释放气体)。
-驱动方式:支持手动、气动或电动操作,适应不同工况的启闭需求。
#2.GU高真空球阀的技术特点
为满足严苛工况要求,GU高真空球阀在设计上融合了多项技术创新:
-超高密封性:通过精密研磨的球体与阀座配合,泄漏率可低于行业标准。
-耐腐蚀性:针对化工或半导体行业的腐蚀性介质,阀体可进行特殊涂层处理。
-低扭矩设计:优化传动结构,减少启闭阻力,延长使用寿命。
-模块化配件:支持快速拆卸维护,降低停机时间。
#3.应用领域与行业需求
GU高真空球阀的可靠性使其成为以下领域的设备:
-半导体制造:用于晶圆加工设备的真空腔体控制。
-新能源产业:氢能源存储系统中介质的隔离与调节。
-科研实验:同步辐射装置、粒子加速器等设备的真空维持。
-化工流程:如

#4.GU高真空法兰式球阀操作应用案例技术支撑与品质保障
以为例,其高真空球阀的研发与生产体现了工业级精密制造的实力:
-研发能力:依托先进的CAD阀门设计中心和严格的标准体系(如GB、API、DIN等),确保产品性能达标。
-生产管控:配备超声波测厚仪、化学分析仪等质检设备,优秀贯彻ISO9001质量管理体系。
-场景适配:可根据客户需求定制材料、密封形式或驱动方式,满足多样化工况。
#5.未来发展趋势
随着工业技术升级,GU高真空球阀将面临更高挑战:
-智能化集成:结合传感器实现实时泄漏监测或远程控制。
-材料革新:开发更低放气率、更高强度的新型合金或陶瓷材料。
-绿色制造:优化生产工艺,减少能耗与废弃物排放。
GU高真空法兰式球阀操作应用案例结语
GU高真空球阀虽是小众设备,却在现代工业中扮演着不可替代的角色。未来,随着制造业的扩张,高真空球阀的技术边界还将进一步拓展,为更多行业提供可靠支持。

GU高真空法兰式球阀操作应用案例
| 序号 | 品 名 | 型 号 及 规 格 | 单位 |
| 1 | 保温真空球阀 | GU-65(F),口径DN65 PPL耐高温密封面, 带粘度物料 阀体做夹套保温 | 台 |
| 2 | 保温真空球阀 | GU-100(F),口径DN100, PPL耐高温密封面, 带粘度物料 阀体做夹套保温 | 台 |
| 3 | 保温真空球阀 | GU-125(F),口径DN125, PPL耐高温密封面, 带粘度物料 阀体做夹套保温 | 台 |
| 4 | 真空球阀 | GU-150(F),口径DN150, PPL耐高温密封面, 带粘度物料 | 台 |
| 5 | 保温真空球阀 | GU-125(F),口径DN125, PPL耐高温密封面, 带粘度物料 阀体做夹套保温 | 台 |
| 6 | 真空球阀 | GU-100(F),口径DN100, PPL耐高温密封面, 带粘度物料 | 台 |
| 7 | 保温真空球阀 | GU-100(F),口径DN100, PPL耐高温密封面, 带粘度物料 阀体做夹套保温 | 台 |
| 8 | 真空球阀 | GU-50(F),口径DN50, PPL耐高温密封面, 带粘度物料 | 台 |
| 9 | 保温真空球阀 | GU-100(F),口径DN100, PPL耐高温密封面, 带粘度物料 阀体做夹套保温 | 台 |
| 10 | 保温真空球阀 | GU-80(F),口径DN80, PPL耐高温密封面, 带粘度物料 阀体做夹套保温 | 台 |
| 11 | 真空球阀 | GU-40(F),口径DN40, PPL耐高温密封面, 带粘度物料 | 台 |
主要技术性能
| 适用范围(Pa) | 快卸法兰(KF)2x105~1.3x10-5 活套法兰16x105~1.3x10-5 |
| 阀门漏率(Pa.L/S) | ≤1.3x10-5 |
| 介质温度(℃) | 标准出厂:-30~+150 特殊指定:-30~+240 |
| 安装位置 | 任意 |
| 法兰标准 | GB4982;GB/T6070 |
快卸法兰(KF)连接及外形尺寸(GB4982)
| 型号 | 通径(DN) | ΦD | ΦB | H | L | A |
| GU-10/KF | 10 | 30 | 12.2 | 60 | 92 | 120 |
| GU-16/KF | 16 | 30 | 17.2 | 62 | 100 | 120 |
| GU-25/KF | 25 | 40 | 26.2 | 75 | 114 | 150 |
| GU-40/KF | 40 | 55 | 41.2 | 115 | 165 | 200 |
| GU-50/KF | 50 | 75 | 52.2 | 125 | 175 | 221 |
活套法兰连接及外形尺寸(GB/T6070)
| 型号 | 通径(DN) | ΦD | ΦB | H | L | A | n-ΦC |
| GU-10 | 10 | 55 | 40 | 60 | 90 | 120 | 4-6.5 |
| GU-16 | 16 | 60 | 45 | 62 | 100 | 120 | |
| GU-20 | 20 | 65 | 50 | 73 | 114 | 150 | |
| GU-25 | 25 | 70 | 55 | 75 | 114 | 150 | |
| GU-32 | 32 | 90 | 70 | 93 | 140 | 180 | 4-9 |
| GU-40 | 40 | 100 | 80 | 115 | 165 | 200 | |
| GU-50 | 50 | 110 | 90 | 125 | 175 | 221 | |
| GU-63 | 63 | 130 | 110 | 166 | 186 | 230 | |
| GU-80 | 80 | 145 | 125 | 175 | 198 | 290 | 8-9 |
| GU-100 | 100 | 165 | 145 | 189 | 220 | 260 | |
| GU-125 | 125 | 200 | 175 | 232 | 266 | 360 | 8-11 |
| GU-150 | 150 | 225 | 200 | 250 | 296 | 400 | |
| GU-200 | 200 | 285 | 260 | 306 | 390 | 620 | 12-12 |
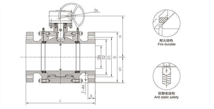
GU型真空(压力)球阀结构图:

GU高真空法兰式球阀操作应用案例
正确安装和维护使用了润滑剂的高真空不锈钢球阀,对于确保阀门的正常运行、延长使用寿命以及维持高真空系统的稳定性至关重要,以下分别从安装和维护两方面进行介绍:
安装
安装前准备
检查阀门:检查高真空不锈钢球阀的型号、规格是否符合设计要求,外观有无损坏、变形等缺陷。确认球体、阀座、阀杆等部件的表面光滑,无划痕、毛刺等影响密封和运动的问题。
清洁阀门:使用洁净的溶剂(如酒精、丙酮等)清洗阀门各部件,去除在运输和储存过程中可能沾染的灰尘、油污等杂质。清洗后用干净的氮气或干燥空气吹干,确保阀门内部无残留液体。
检查润滑剂:检查所选用的润滑剂是否符合高真空环境要求,其质量和性能是否良好。确认润滑剂的储存条件符合要求,未出现变质、分层等现象。
安装过程
正确安装位置:根据管道系统的设计要求,确定阀门的安装位置和方向。一般来说,高真空不锈钢球阀应安装在便于操作和维护的位置,且阀门的进出口方向应与介质流动方向一致。
连接管道:在连接阀门与管道时,应使用合适的密封垫片(如金属垫片、石墨垫片等),确保连接处的密封性。采用正确的连接方式(如焊接、法兰连接等),并按照规定的扭矩拧紧螺栓,避免因连接不紧密导致泄漏。在焊接时要注意保护阀门,防止焊接热量对阀门内部结构和润滑剂造成不良影响。
涂抹润滑剂:按照阀门的使用说明书,在需要润滑的部位(如球体与阀座的接触面、阀杆与填料函的配合面等)均匀涂抹适量的润滑剂。涂抹时要确保润滑剂覆盖全面,避免出现漏涂或局部过量的情况。
GU高真空法兰式球阀操作应用案例维护

GU高真空法兰式球阀操作应用案例定期检查
外观检查:定期检查阀门的外观,查看是否有腐蚀、磨损、泄漏等迹象。检查阀门的连接部位,确保螺栓无松动,密封垫片无老化、损坏。
润滑状态检查:定期检查润滑剂的状态,观察其是否变质、干涸或流失。对于采用脂润滑的阀门,可通过观察润滑脂的颜色、质地来判断其是否需要更换。如发现润滑剂性能下降,应及时补充或更换。
密封性能检查:定期对阀门进行密封性能测试,可采用真空检漏仪等设备检测阀门的泄漏率。如发现泄漏,应及时查找原因并进行处理,可能是密封面磨损、密封垫片损坏或润滑剂不足等原因导致。
清洁保养
内部清洁:定期对阀门内部进行清洁,去除可能积累的杂质、污垢等。可使用洁净的溶剂进行冲洗,然后用干燥空气或氮气吹干。在清洁过程中要注意保护阀门的密封面和润滑部位,避免造成损伤。
表面清洁:保持阀门表面的清洁,防止灰尘、油污等污染物附着。对于表面有腐蚀迹象的部位,应及时进行处理,可采用打磨、涂漆等方法进行修复和防护。
润滑剂更换
更换周期:根据阀门的使用频率、工作环境等因素,确定合适的润滑剂更换周期。一般来说,频繁使用的阀门或在恶劣环境下工作的阀门,应适当缩短更换周期。
更换方法:在更换润滑剂时,应先将旧的润滑剂清除干净。可使用专用的清洗剂清洗润滑部位,然后用干燥空气吹干。再按照规定的方法和用量涂抹新的润滑剂。
GU高真空法兰式球阀操作应用案例操作注意事项

避免过度操作:在操作高真空不锈钢球阀时,应避免过度用力或频繁开关,以免对阀门的密封面和润滑部位造成不必要的磨损。
防止温度冲击:避免阀门在短时间内经历较大的温度变化,以免影响润滑剂的性能和阀门的密封效果。在温度变化较大的环境中使用时,应采取适当的保温或降温措施。
高真空球阀是在高真空系统中常用的一种阀门,用于控制系统的流体流动。为了确保球阀的正常运行和延长使用寿命,以下是安装和维护高真空球阀的注意事项:
1. 安装位置:球阀的安装位置应尽量靠近流体流动的地方,并且要保证便于操作和维护。球阀应安装在水平或垂直位置上, 以防止球体滚动不畅或卡死。
2. 泄漏测试:在安装球阀之前,重要的一步是进行泄漏测试。关闭球阀并施加压力,观察是否有泄漏现象。若有泄漏,则需要进行调整或更换球阀。
3. 密封材料选择:根据使用介质的性质选择适当的密封材料,以确保在高真空环境中有良好的密封性能。
4. 操作力度:操作球阀时需要用适度的力度,过大的力度可能导致球阀损坏或松脱。另外,操作球阀时应避免使用工具或扳手,以免损坏阀门。
5. 定期维护:定期检查球阀的工作状态,特别是检查密封部位是否有磨损或破损。若发现问题,及时更换或修理。
6. 清洁保养:球阀在长期使用后,可能会有一些杂质或污垢附着在阀体内部,影响阀门的正常运行。因此,定期清洁球阀是必要的,可以使用清洗剂和软毛刷来清洁。
7. 注意温度和压力:根据球阀的额定温度和压力,避免超过其承受范围。如果超过了额定范围,可能会导致球阀损坏或失效。
总之,高真空球阀的正确安装和定期的维护是确保其正常运行和延长使用寿命的关键。只有做好这些注意事项,才能保证高真空系统的安全和稳定运行。