一、精细化工项目阻火器选用时注意事项阻火器的定义及分类 安装在管道中或管道端部,阻止传播火焰(爆燃或爆轰)通过的装置,由阻火芯、阻火器外壳及附件构成。能阻止爆燃传播的阻火器。爆燃是指以热传导和扩散方式、相对于前方介质以亚音速传播的燃烧反应形式。能阻止稳定爆轰传播的阻火器。稳定爆轰是指以激波压缩方式、相对于前方介质以超音速传播的燃烧反应形式。能阻止非稳定爆轰传播的阻火器。非稳定爆轰是指燃烧进程由爆燃转为稳定爆轰的转变过程中的爆轰,燃烧波的速度并不是常数,且爆炸压力明显高于稳定爆轰。
(二)精细化工项目阻火器选用时注意事项 相关标准规范关于阻火器设置规定 
1.《石油化工企业设计防火标准》GB50160-2008(2018版)6.2.19 甲 B、乙类液体的固定顶罐应设阻火器和呼吸阀;对于采用氮气或其他气体气封的甲 B、乙类液体的储罐还应设置事故泄压设备。7.2.12 加热炉燃料气调节阀前的管道压力等于或小于 0.4MPa(表),且无低压自动保护仪表时,应在每个燃料气调节阀与加热炉之间设置阻火器。2.《石油化工储运系统罐区设计规范SH/T3007-2014
规范概述 ◆ 可燃液体和气体系统在可燃液体常压储罐,液态烃、LNG等低温储罐的通气口和呼吸阀进、出口及其气相连通管,必须设置阻火器以防止火灾蔓延。同时,气体总管和装卸设备的相关管道系统也需配备阻火器。 ◆ 火炬和燃烧设备在火炬、焚烧炉、氧化炉等设备的燃烧入口,必须配备阻火器,以保护系统免受火焰传播的威胁。 ◆ 爆炸性环境设备与管道对于那些可能在爆炸性环境中工作的设备及管道,例如存在持续点燃源和0区的风机、真空泵、压缩机等,必须安装阻火器以确保安全。 ◆ 阻火器选择与设计选择阻火器时,必须基于介质的火焰传播速度、实际工况下的试验安全间隙值等标准,确保其符合国家及行业标准,例如《石油气体管道阻火器》GB/T13347和《石油化工石油气管道阻火器选用、检验及验收标准》SH/T3413。 阻火器设置细节 ◆ 储罐和装卸设备针对不同类型的储罐及装卸设备,呼吸阀上必须配备阻火器,以确保储罐的安全运行。同时,还需采取必要的防冻及防结晶措施,特别是在建罐地区的月平均气温降至0℃以下时。 ◆ 爆炸性混合物管理在涉及爆炸性混合物的管道及容器中,必须设置管道阻火器,特别关注事故工况。例如,输送爆炸性气体的风机、真空泵、压缩机等机械设备进、出口必须安装阻火器。 ◆ 火炬和排放管道确保火炬排放气在进入火炬头之前安装阻火器,以维持整体系统的安全。同时,所有相关的排放管道上也需设有阻火装置。 ◆ 氢气系统与大气污染氢气系统和大气污染治理工程中的管道也必须安装阻火器,符合相关阻火标准。比如《氢气使用安全技术规程》和《大气污染治理工程技术导则》中均有明确规定。 ◆ 化工和吸附法系统化工装置和吸附法废气治理之间的管道中应有阻火器,为防止火灾提供保障。治理系统与主体生产装置之间的管道系统必须安装阻火器,其性能应符合GB13347的标准。 
二、精细化工项目阻火器选用时注意事项相关标准规范关于阻火器设置规定《油气回收处理设施技术标准》GB/T50759-2022《石油化工石油气管道阻火器选用检、验验收标准》SH/T3413-2019
ZGB-1不锈钢防爆阻火器是用来阻止液体的火焰蔓延和防止回火而引起爆炸,从而保证储罐的安全。这类阻火器内的阻火层常用不锈钢带或铜镍合金材料压制而成的波纹状,波纹的大小由气体性质和阻止火焰速度决定。它的功能是允许易燃易爆气体通过,对火焰有阻止窒息作用。 波纹形式 一种是由两个方向折成的波纹型的薄板材料组成,波纹之间分隔成许多小的孔隙和通道,给火焰提供了一条曲曲折折的通道。另一种由波纹薄板和平板交替缠绕在中心轴上,组成一叠带有三角形孔隙阻火层,这种结构的阻火层可以根据设计需要生产不同直径、不同厚度和不同孔隙的波纹阻火层。波纹结构阻火器经测试证明,阻火性能好,使用范围广,制造成本低,易于检查和安装等优点,所以这种结构的阻火器已被广泛使用。不锈钢防爆阻火器阻火层由几层阻火层组成一个一个整体,但层与层之间不允许留有空隙,以防止火焰由间隙通过。 实验方法 该阻火器径中国科学技术大学与,其性能符合GB13347-92《石油气管道阻火体器阻火性能和实验方法》的规定.阻火器连续13次以亚音速火焰试验,每次都能阻止火焰的通过,可满足各种不同工艺管道的需要. 标准规范 1、执行标准:GB13347-92《石油气体管道阻火器阻火性能和试验方法》、 2、SH/T3413-99《石油化工石油气管道阻火器选用、检验及验收》、 3、HG/T20570.19-95《阻火器的设置》。 结构特点 1、该阻火器结构合理,重量轻,耐腐蚀,阻爆性能合格 2、连续13次以亚音速火焰试验每次都能阻火。 3、易检修,安装方便。壳体水压试验合格。 4、耐烧性能合格,耐烧试验1小时无回火现象。 5、阻火器芯子采用不锈钢材料,耐腐蚀,易于清洗。 
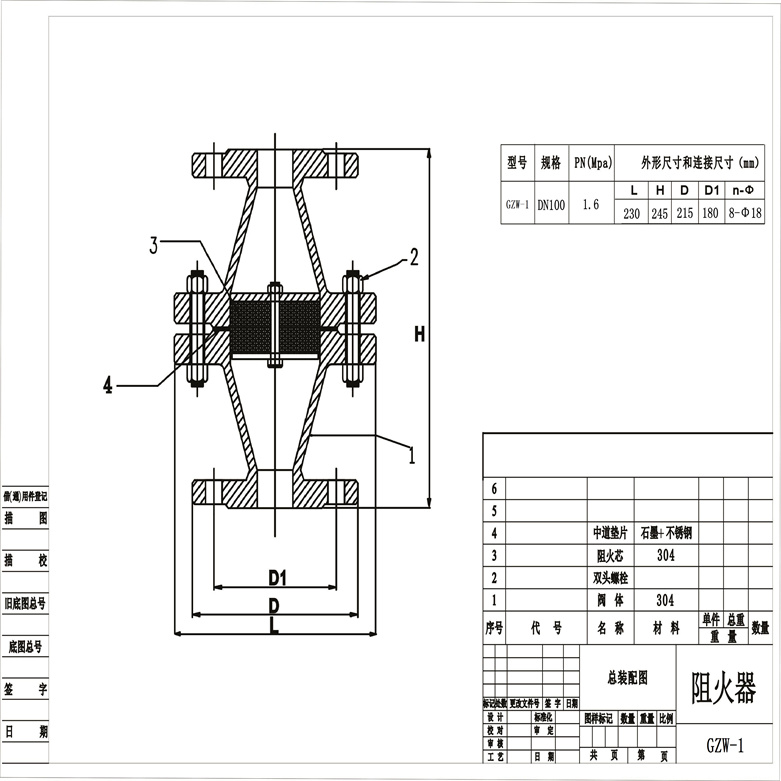
精细化工项目阻火器选用时注意事项主要零部件 | 阀体材料 | 碳钢WCB、不锈钢304、316、 | | 阻火芯件材料 | 不锈钢防爆阻火波纹板 | | 密封件材料 | 耐油石棉橡胶、四氟PTFE | | 环境温度 ℃ | ≤480 | | 公称压力(MPa) | 0.6~5.0 | | 防爆级别 | BS5501:ⅡA、ⅡB、ⅡC | 精细化工项目阻火器选用时注意事项外形结构图
精细化工项目阻火器选用时注意事项主要外形尺寸 | 规格 | 安装尺寸(mm) | | D2 | D | L | H | N-d | | DN50 | Ø110 | Ø140 | 220 | 235 | 4×14 | | DN80 | Ø150 | Ø185 | 280 | 270 | 4×18 | | DN100 | Ø170 | Ø205 | 325 | 275 | 4×18 | | DN150 | Ø225 | Ø260 | 425 | 290 | 8×18 | | DN200 | Ø280 | Ø315 | 495 | 305 | 8×18 | | DN250 | Ø335 | Ø370 | 595 | 320 | 12×18 | | DN300 | Ø395 | Ø435 | 655 | 405 | 12×23 | 美标外形尺寸ANSI、API、ASME | 规格 | 安装尺寸(mm) | | D2 | D | L | H | N-d | | 2" | Ø120.5 | Ø152 | 220 | 235 | 4×19 | | 3" | Ø152.5 | Ø190 | 280 | 270 | 4×19 | | 4" | Ø190.5 | Ø229 | 325 | 275 | 8×19 | | 6" | Ø241.5 | Ø279 | 425 | 290 | 8×22 | | 8" | Ø298.5 | Ø343 | 495 | 305 | 8×22 | | 10" | Ø362 | Ø406 | 595 | 320 | 12×25 | | 12" | Ø432 | Ø483 | 655 | 405 | 12×25 | 精细化工项目阻火器选用时注意事项维修与保养
为了确保不锈钢防爆阻火器的性能达到安全使用目的,对阻火器应定期性进行检查,保养。 ①不锈钢防爆阻火器每半年检查一次,检查阻火层芯子是否堵塞,变形,腐蚀等。 ②发现被堵塞的阻火层芯子应清洗干净,确保芯子上的每个孔眼畅通,对于变形和腐蚀的阻火层应更换。 ③重新安装阻火层芯子时,应保证结合面严密不得漏气。 阻火器分为阻爆燃、阻爆轰阻火器两大类,阻爆轰阻火器又分为稳态、非稳态型式;非稳态阻爆轰阻火器可以安装到管道任何位置,而阻爆燃、稳态阻爆轰阻火器只能安装到合适区域,阻爆燃适用于L/D≤50区域,但稳态阻爆轰阻火器位置在实际工程中无法预测(L/D≥120就是稳态阻爆轰阻火器位置观点值得商榷),稳态阻爆轰阻火器位置与气体组成、温度、管道走向(弯头、三通等)有关。L/D≥120就可以选用稳态爆轰阻火器的观点(来自NFPA 69 - 2014附件)但要特别注意这个NFPA参考附件内容不是要求,NFPA 69 - 2014附件标题“Annex A is not a part of the requirements of this NFPA document but is included for informational purposes only.”中文意思“这个附件不是这个NFPA所需求文档的一部分,仅作参考之用”。因此L/D≥120就可以选用稳态爆轰阻火器的观点是不正确的。在与国外阻火器测试机构技术人员交流时,对方也对L/D≥120就可以选用稳态爆轰阻火器观点不赞成,对方说在实验室条件下(直管段,没有弯头),出现过多次L/D=122-140试验室测试结果是非稳态位置区域。 
精细化工项目阻火器选用时注意事项 稳态爆轰阻火器,在什么情况下具备非稳态爆轰阻火器性能稳态爆轰阻火器+阻火器两端温度探头(信号到控制室)+阻火器两端控制阀(信号到控制室,与温度联锁),这根时候功能相当于非稳态爆轰阻火器功能。此时稳态爆轰阻火器+阻火器两端温度探头(信号到控制室)+阻火器两端控制阀价格远远高于非稳态爆轰阻火器价格。管道阻火器作为一种重要的安全设备,在化工、石油等行业中具有广泛的应用。它能够有效阻止火焰在管道中的传播,从而保护设备和人身安全。然而,确保其正常工作的前提是要进行正确的安装。接下来,我们将详细介绍管道阻火器的安装规范。一、安装前的准备工作 1. 摘除所有法兰保护盖和抛弃所有包装材料,确保阻火器的法兰面干净整洁。 2. 检查阀座表面的配套法兰垫片,确保其清洁、平整、无划痕且耐腐蚀。 3. 检查垫片材料是否适合应用环境,以保证其密封性和耐久性。 4. 使用适当的螺纹润滑剂润滑所有螺柱和螺母,以提高安装的顺畅性和密封性。 二、管道阻火器的安装步骤 1. 将阻火器壳体法兰与管线法兰对接,注意要保证阻火元件的提升手柄与顶螺母位置合理,以方便未来摘除阻火器的元件。 2. 确保所有连接螺栓均匀受力,避免局部过紧或过松导致的密封不严或损坏。 3. 完成安装后,进行必要的检测和调整,确保阻火器处于工作状态。 三、管道阻火器中间跨接的接法 当需要在管道阻火器之间进行跨接时,应遵循以下步骤: 1. 确定跨接管道的规格和材质,确保其与原有管道相匹配。 2. 使用法兰连接或焊接等方式将跨接管道与原有管道牢固连接。 3. 在跨接管道上安装相应的阀门和检测仪器,以便对跨接管道进行控制和监测。 4. 完成跨接后,对整个系统进行全面的检测和调整,确保其安全可靠地运行。 四、注意事项 1. 在安装过程中,应严格遵循相关安全规范和操作规程,确保安装过程的安全顺利进行。 2. 定期对管道阻火器进行检查和维护,确保其长期处于良好的工作状态。 3. 当发现管道阻火器存在故障或损坏时,应及时进行维修或更换,以避免潜在的安全隐患。 总的来说,掌握并遵循正确的管道阻火器安装规范对于保障设备和人身安全至关重要。通过本文的介绍,希望读者能够全面了解和掌握管道阻火器的安装要点和注意事项,为确保其在实际应用中的可靠性和安全性提供有力支持。 |